The Daily Insight

Connected.Informed.Engaged.

general

Is there such a word as precharge?

Writer Andrew Vasquez

GRAMMATICAL CATEGORY OF PRECHARGE Precharge is an adjective. The adjective is the word that accompanies the noun to determine or qualify it.

What does Outcharge mean?

Definition of outcharge in the English dictionary

The definition of outcharge in the dictionary is to charge more than.

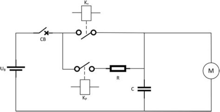
What is precharge resistor?

A pre-charge resistor is a device that slowly charges the capacitors inside a electronic speed controller before it is powered up. Without this resistor, closing the contactor would generate a large amount of inrush current causing the contacts to arc.

Is Outview a word?

Out·view·ing.

What does Out View mean?

Adv. 1. out of view - no longer visible; "the ship disappeared behind the horizon and passed out of sight"

How to Pre-charge Large Off-grid Inverters SAFELY. Save your eyes and your bank account

23 related questions found

Is Outqualify a real word?

(sports) To qualify in a higher position than another.

Is Overorder a real word?

An order for too much or too many. (intransitive) To order too much or too many.

Are verbs disqualified?

verb (used with object), dis·qual·i·fied, dis·qual·i·fy·ing. to deprive of qualification or fitness; render unfit; incapacitate. to deprive of legal, official, or other rights or privileges; declare ineligible or unqualified.

How do you spell out of order?

out of order
  1. 1 : not working properly : not able to be used The elevator's out of order again.
  2. 2 : not following the formal rules of a meeting, court session, etc. ...
  3. 3 British, informal : beyond what is reasonable or allowable : not right or appropriate Your behavior was completely out of order.

What comes Underview?

An overview is a general summary of something. An overview gives the big picture, while leaving out the minor details.

What is precharge mode?

Pre-charge of the powerline voltages in a high voltage DC application is a preliminary mode which limits the inrush current during the power up procedure. ... Precharging is implemented to increase the lifespan of electronic components and increase reliability of the high voltage system.

Why do we precharge?

A precharge circuit is used to limit this inrush current to slowly charge the downstream capacitance. It plays a critical role in the proper operation and protection of components in high voltage applications. Precharging increases the lifespan of electric components and the reliability of the system as a whole.

What is precharge in SRAM?

In a conventional SRAM system, bit-lines are precharged to Vdd for faster read and write operations. [1] This precharge increases static and dynamic power. For SRAM, leakage through NMOS is dominant. As the bit- lines are precharged to Vdd, that leakage is even higher and corresponds to higher static power.

Is not in order synonym?

Find another word for out-of-order. In this page you can discover 16 synonyms, antonyms, idiomatic expressions, and related words for out-of-order, like: inoperable, haywire, broken, out-of-commission, defective, on-the-blink, out-of-whack, in disrepair, kerflooey, not working and on-the-fritz.

Why do we say out of order?

If something someone says or does is out of order, it is unpleasant or not suitable and it is likely to upset or offend people: His behavior in the meeting was out of order.

What does nonfunctional mean?

a : having no function : serving or performing no useful purpose Naive art … tends to be decorative and nonfunctional.— Robert Atkins. b : not performing or able to perform a regular function …

Which is the closest synonym for the word disqualify?

disqualify
  • bar.
  • exclude.
  • invalidate.
  • preclude.
  • prohibit.
  • rule out.
  • suspend.
  • paralyze.

What does disqualified mean in NFL?

Any player or team official who commits a personal foul (i.e., striking, kicking, kneeing) or act of unnecessary roughness against another player or team official, an act of unsportsmanlike conduct, or a palpably unfair act is liable to be disqualified from further participation if the act is found to be flagrant.

What is the root word of disqualify?

Disqualify adds the "do the opposite of" prefix dis- to qualify, which comes from the medieval Latin root qualificare, "to attribute a quality to."

Can be ordered synonyms?

order
  • arrangement,
  • array,
  • disposal,
  • disposition,
  • distribution,
  • ordering,
  • sequence,
  • setup.

What does Qualified out mean?

Qualifying out means that you have to continue to assess every deal before it has reached fruition to determine whether it is worth spending more time on it. Just because it seemed worth continuing yesterday, it does not mean it will continue to be worthwhile tomorrow.

What is precharge time for memory?

The time interval between specified transitions at one or more inputs intended to allow the input nodes of the dynamic circuitry to be charged or discharged to predetermined voltage levels prior to the start of a new cycle.

Why does DRAM need to be refreshed?

A DRAM cell is composed of an access transistor and a capacitor. Data is stored in the capacitor as electrical charge, but electrical charge leaks over time. Therefore, DRAM must be refreshed periodically to preserve the stored data.

Why sense amplifier is used in memory circuit explain its working?

A sense amplifier is part of the read circuitry that is used when data is read from the memory; its role is to sense the low power signals from a bitline that represents a data bit (1 or 0) stored in a memory cell, and amplify the small voltage swing to recognizable logic levels so the data can be interpreted properly ...

What is precharge in BMS?

Precharge is a BMS pre-ride startup function to charge the main power bus before closing the contactor. The BMS has a precharge circuit for ensuring that the contactors can close without causing damaging current spikes to the controller or other components.